Спортивна зброя
- Засоби для чищення
- Зброя під патрон Флобера
- Збільшувачі для прицілів
дивитися ще
Тактичне спорядження
- Жилети розвантажувальні
- Засоби для знезараження води
- Зенітні прожектори
дивитися ще
Показати всі категорії
| Характеристики | ||
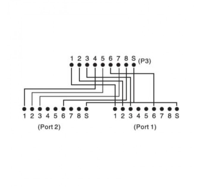
| Призначення | для 2x розеток RJ45 / 1x вилка RJ45 | |
| Тип | Розгалужувач | |



