Спортивна зброя
- Засоби для чищення
- Зброя під патрон Флобера
- Збільшувачі для прицілів
дивитися ще
Тактичне спорядження
- Жилети розвантажувальні
- Засоби для знезараження води
- Зенітні прожектори
дивитися ще
Показати всі категорії
Raspberry Pi Pico W — це бездротова версія плати на базі RP2040, яка додає Wi-Fi на частоті 2,4 ГГц 802.11n!
Додавання бездротового підключення відкриває Pico W для широкого спектру нових проектів, таких як дистанційне зчитування датчиків, дистанційне керування, домашня автоматизація, міні-веб-сервери, бездротове керування контактами GPIO та багато, багато іншого!
Технічні характеристики
Чіп мікроконтролера RP2040, розроблений Raspberry Pi у Великобританії
Двоядерний процесор ARM Cortex M0+, гнучка тактова частота до 133 МГц
264 КБ SRAM і 2 МБ вбудованої флеш-пам'яті
Бездротовий чіп Infineon CYW43439
Бездротова локальна мережа IEEE 802.11n
Bluetooth 5.2
WPA3
SoftAP (до 4 клієнтів)
Вбудована антена, ліцензована ABRACON (підключена через SPI до RP2040)
Підтримка USB 1.1 Host and Device
Енергоспоживання сплячий і сплячий режими
Програмування перетягуванням за допомогою накопичувача через USB
26 багатофункціональних контактів GPIO
2×SPI, 2×I2C, 2×UART, 3×12-розрядний АЦП, 16×керованих каналів ШІМ
Годинник реального часу (RTC)
Температурний сенсор
8×Програмовані порти вводу-виводу (PIO) для спеціальної підтримки периферійних пристроїв
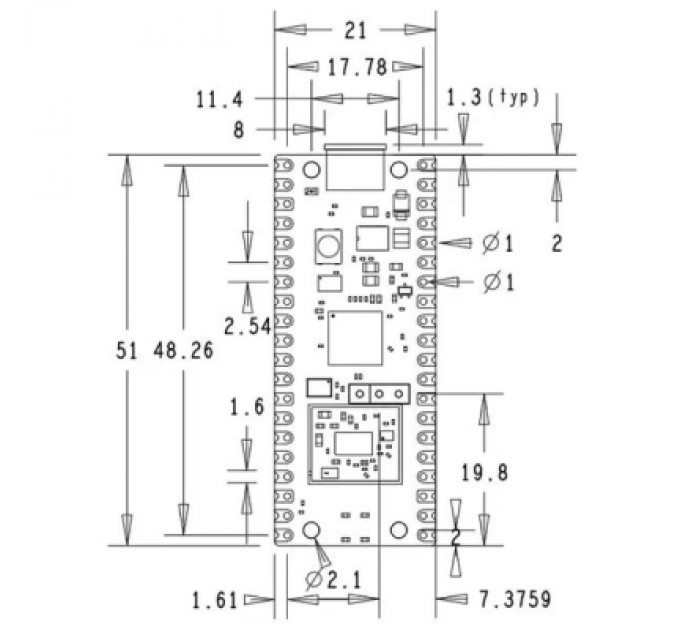
Розміри (ШxДxВ): 21 мм x 51,3 мм x 12,9 мм
Вага: 6г
| Характеристики | ||
| Кількість | 1 шт | |
| Розміри | 21 x 51.3 x 12.9 мм | |
| Сумісність | Raspberry Pi | |
| Тип | мікроконтролер | |

